Cod produs 1470 PAO 050 P40
Roată pivotantă, furcă din tablă din oţel, ambutisată, zincată, rând dublu de bile în capul pivotant, sistem de prindere tip placă. Jantă din polipropilenă, Suprafaţă de rulare din cauciuc poliuretanic , rulment plan (bucşă antifricţiune).
Diametrul roţii - 50 mm
Suprafaţă rulare - 19 mm
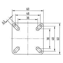
Mărimea plăcii - 60 x 60 mm
Găuri de prindere - 48/38 x 48/38 mm
Gaură - 6,3 mm
Deviaţie de la ax - 25 mm
Diametrul de pivotare - 100 mm
Înălţime totală - 70 mm
Sarcină dinamică - 40 kg
Temperatura - - 20 / + 60 grade
Standard - EN 12530
Greutate - 0.15 kg
Raza de pivotare - 50 mm
Rigiditatea suprafeţei de rulare - D 40 Shore
Inoxidabil - nu
Conductivitate electrică - nu
Furcă pivotanta - role pivotante
Pret valabil de la 01.11.2024




