Cod produs 1470 PAO 075 P40
Roată pivotantă, furcă din tablă din oţel, ambutisată, zincată, rând dublu de bile în capul pivotant, sistem de prindere tip placă. Jantă din polipropilenă, Suprafaţă de rulare : cauciuc poliuretanic , rulment plan (bucşă antifricţiune).
Diametrul roţii - 75 mm
Suprafaţă rulare - 25 mm
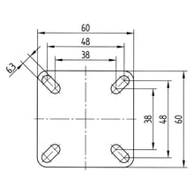
Mărimea plăcii - 60 x 60 mm
Găuri de prindere - 48/38 x 48/38 mm
Gaură - 6,3 mm
Diametrul conexpandului - 22x22 mm
Deviaţie de la ax - 25 mm
Diametrul de pivotare - 125 mm
Înălţime totală - 100 mm
Sarcină dinamică - 60 kg
Temperatura - 20 / + 60 grade
Standard - EN 12530
Raza de pivotare - 63 mm
Rigiditatea suprafeţei de rulare - D 40 Shore
Inoxidabil - nu
Conductivitate electrică - nu
Furcă pivotanta - role pivotante
Pret valabil de la 10.06.2024




